JK-30K

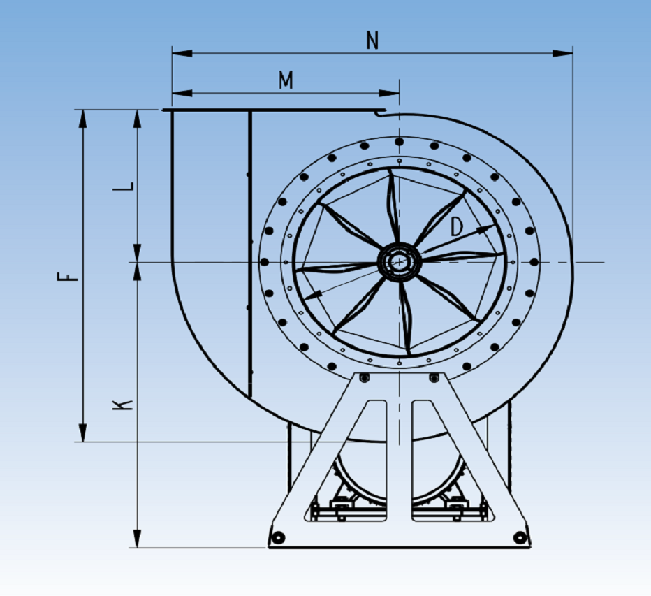
The indirect drive centrifugal fan types JK-30K - JK-75K are designed for material handling.

Equipped with self-cleaning impellers with backward-inclined blades and aerodynamic intake. The impellers are statically and dynamically balanced.

The pulleys are shaft-mounted with taperlock bushing, allowing easy replacement for changed fan speed.

Max. internal operating temperature: 60°C

With cooling wings: Up to 200°C

Number of blades are reduced by 2 for paper impeller.

Available with stainless steel inlet and explosion-proof (Eex) motor.

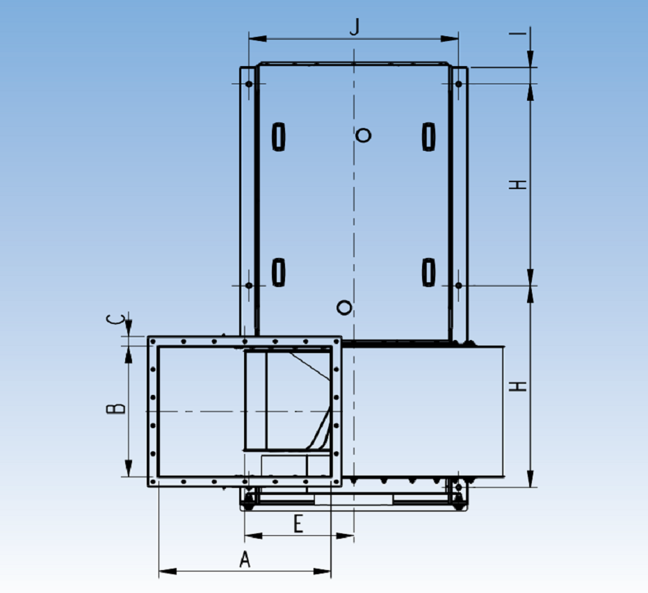
The inlet (D) is supplied with flange as standard.

If the fan is mounted in an acoustic booth, it is supplied with smooth inlet.

Belt drive is anti-static.

Kategorie Position

Name: File type: Size:
jk30k_5-5kw_ln.dwg .dwg 330.45 kb
Kategorie Position

Name: File type: Size:
jk30k_5-5kw_lno.dwg .dwg 354.51 kb
Kategorie Position

Name: File type: Size:
jk30k_5-5kw_lnv.dwg .dwg 346.48 kb
Kategorie Position

Name: File type: Size:
jk30k_5-5kw_lo.dwg .dwg 339.74 kb
Kategorie Position

Name: File type: Size:
jk30k_5-5kw_lsv.dwg .dwg 337.71 kb
Kategorie Position

Name: File type: Size:
jk30k_5-5kw_lv.dwg .dwg 326.12 kb
Kategorie Position

Name: File type: Size:
jk30k_5-5kw_rn.dwg .dwg 350.52 kb
Kategorie Position

Name: File type: Size:
jk30k_5-5kw_rno.dwg .dwg 369.05 kb
Kategorie Position

Name: File type: Size:
jk30k_5-5kw_rnv.dwg .dwg 362.45 kb
Kategorie Position

Name: File type: Size:
jk30k_5-5kw_ro.dwg .dwg 352.13 kb
Kategorie Position

Name: File type: Size:
jk30k_5-5kw_rso.dwg .dwg 364.57 kb
Kategorie Position

Name: File type: Size:
jk30k_5-5kw_rv.dwg .dwg 351.96 kb

Kategorie Position

Name: File type: Size:
jk30k_5-5kw_ln.stp .stp 3.33 mb
Kategorie Position

Name: File type: Size:
jk30k_5-5kw_lno.stp .stp 2.92 mb
Kategorie Position

Name: File type: Size:
jk30k_5-5kw_lnv.stp .stp 3.01 mb
Kategorie Position

Name: File type: Size:
jk30k_5-5kw_lo.stp .stp 3.33 mb
Kategorie Position

Name: File type: Size:
jk30k_5-5kw_lsv.stp .stp 3.47 mb
Kategorie Position

Name: File type: Size:
jk30k_5-5kw_lv.stp .stp 3.14 mb
Kategorie Position

Name: File type: Size:
jk30k_5-5kw_rn.stp .stp 3.69 mb
Kategorie Position

Name: File type: Size:
jk30k_5-5kw_rno.stp .stp 3.27 mb
Kategorie Position

Name: File type: Size:
jk30k_5-5kw_rnv.stp .stp 3.23 mb
Kategorie Position

Name: File type: Size:
jk30k_5-5kw_ro.stp .stp 3.5 mb
Kategorie Position

Name: File type: Size:
jk30k_5-5kw_rso.stp .stp 3.78 mb


Name: File type: Size:
D100058_Fitting_and_service_instructions_for_taper_lock_bushings_pulleys_and_drive_belts.pdf .pdf 2.79 mb

Name: File type: Size:
Hoyer_Motor_Manual.pdf .pdf 1.95 mb

Name: File type: Size:
User_manual.pdf .pdf 3.78 mb

Name: File type: Size:
mont-jk30k.pdf .pdf 5.65 mb
Filter brochure
JK-30K data sheet

Read all about JK-30K

Filter brochure
JK-30K data sheet

Read all about JK-30K

Product Position

Name: File type: Size:
jk30k_5-5kw_ln.dwg .dwg 330.45 kb
Product Position

Name: File type: Size:
jk30k_5-5kw_lno.dwg .dwg 354.51 kb
Product Position

Name: File type: Size:
jk30k_5-5kw_lnv.dwg .dwg 346.48 kb
Product Position

Name: File type: Size:
jk30k_5-5kw_lo.dwg .dwg 339.74 kb
Product Position

Name: File type: Size:
jk30k_5-5kw_lsv.dwg .dwg 337.71 kb
Product Position

Name: File type: Size:
jk30k_5-5kw_lv.dwg .dwg 326.12 kb
Product Position

Name: File type: Size:
jk30k_5-5kw_rn.dwg .dwg 350.52 kb
Product Position

Name: File type: Size:
jk30k_5-5kw_rno.dwg .dwg 369.05 kb
Product Position

Name: File type: Size:
jk30k_5-5kw_rnv.dwg .dwg 362.45 kb
Product Position

Name: File type: Size:
jk30k_5-5kw_ro.dwg .dwg 352.13 kb
Product Position

Name: File type: Size:
jk30k_5-5kw_rso.dwg .dwg 364.57 kb
Product Position

Name: File type: Size:
jk30k_5-5kw_rv.dwg .dwg 351.96 kb
Product Position

Name: File type: Size:
jk30k_5-5kw_ln.stp .stp 3.33 mb
Product Position

Name: File type: Size:
jk30k_5-5kw_lno.stp .stp 2.92 mb
Product Position

Name: File type: Size:
jk30k_5-5kw_lnv.stp .stp 3.01 mb
Product Position

Name: File type: Size:
jk30k_5-5kw_lo.stp .stp 3.33 mb
Product Position

Name: File type: Size:
jk30k_5-5kw_lsv.stp .stp 3.47 mb
Product Position

Name: File type: Size:
jk30k_5-5kw_lv.stp .stp 3.14 mb
Product Position

Name: File type: Size:
jk30k_5-5kw_rn.stp .stp 3.69 mb
Product Position

Name: File type: Size:
jk30k_5-5kw_rno.stp .stp 3.27 mb
Product Position

Name: File type: Size:
jk30k_5-5kw_rnv.stp .stp 3.23 mb
Product Position

Name: File type: Size:
jk30k_5-5kw_ro.stp .stp 3.5 mb
Product Position

Name: File type: Size:
jk30k_5-5kw_rso.stp .stp 3.78 mb
Kategorie Datei

Name: File type: Size:
D100058_Fitting_and_service_instructions_for_taper_lock_bushings_pulleys_and_drive_belts.pdf .pdf 2.79 mb
Kategorie Datei

Name: File type: Size:
Hoyer_Motor_Manual.pdf .pdf 1.95 mb
Kategorie Datei

Name: File type: Size:
User_manual.pdf .pdf 3.78 mb
Kategorie Datei

Name: File type: Size:
mont-jk30k.pdf .pdf 5.65 mb
JK-K1.PNG
JK-K2.PNG
JK-Kint.PNG

Ähnliche Produkte

...
JK-30D

Ventilatorsysteme

See product
...
JK-30MT

Ventilatorsysteme

See product
...
JK-30MTD

Ventilatorsysteme

See product
...
JK-40K

Ventilatorsysteme

See product

Configure your own solution with our tools

Icon
Interessiert an mehr?

Kontaktieren Sie uns noch heute für ein kostenloses Beratungsgespräch! Unser Expertenteam freut sich darauf, Ihre Herausforderungen bei der Staubkontrolle zu besprechen und Ihre Fragen zu beantworten. Wir zeigen Ihnen, wie ein maßgeschneiderter Lösungsverkauf-Ansatz Ihren Arbeitsplatz verändern und Ihre Vorgehensweise bei der Entstaubung revolutionieren kann.

Kontakt