JK-35D

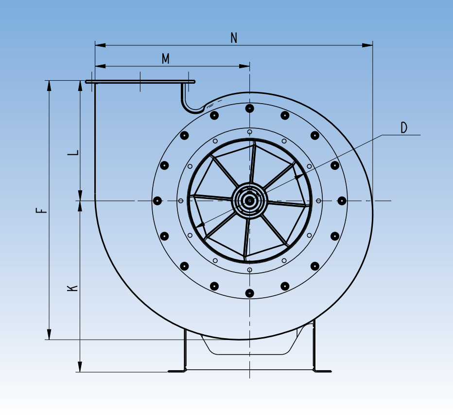
The direct drive centrifugal fan types JK-D are designed for material handling.

Equipped with self-cleaning impellers with backward-inclined blades and aerodynamic intake. The impellers are statically and dynamically balanced.

Max. internal operating temperature: 60°C

Number of blades are reduced by 2 for paper impeller.

Available in stainless steel inlet and explosion-proof (Eex) motor.

The inlet (D) is supplied with flange as standard.

If the fan is mounted in an acoustic booth, it is supplied with smooth inlet.

Specific dimensions for the outlet flanges can be found under “Flanges”.

Kategorie Position

Name: File type: Size:
jk35d_11kw-b5_160m1_ln.dwg .dwg 1.32 mb
Kategorie Position

Name: File type: Size:
jk35d_11kw-b5_160m1_lo.dwg .dwg 1.38 mb
Kategorie Position

Name: File type: Size:
jk35d_11kw-b5_160m1_lv.dwg .dwg 1.31 mb
Kategorie Position

Name: File type: Size:
jk35d_11kw-b5_160m1_rn.dwg .dwg 1.31 mb
Kategorie Position

Name: File type: Size:
jk35d_11kw-b5_160m1_ro.dwg .dwg 1.31 mb
Kategorie Position

Name: File type: Size:
jk35d_11kw-b5_160m1_rv.dwg .dwg 1.31 mb
Kategorie Position

Name: File type: Size:
jk35d_11kw_ln.dwg .dwg 267.0 kb
Kategorie Position

Name: File type: Size:
jk35d_11kw_lo.dwg .dwg 261.71 kb
Kategorie Position

Name: File type: Size:
jk35d_11kw_lv.dwg .dwg 269.04 kb
Kategorie Position

Name: File type: Size:
jk35d_11kw_rn.dwg .dwg 265.9 kb
Kategorie Position

Name: File type: Size:
jk35d_11kw_ro.dwg .dwg 264.28 kb
Kategorie Position

Name: File type: Size:
jk35d_11kw_rv.dwg .dwg 266.83 kb
Kategorie Position

Name: File type: Size:
jk35d_15kw-b5_160l_ln.dwg .dwg 1.31 mb
Kategorie Position

Name: File type: Size:
jk35d_15kw-b5_160l_lo.dwg .dwg 1.37 mb
Kategorie Position

Name: File type: Size:
jk35d_15kw-b5_160l_lv.dwg .dwg 1.3 mb
Kategorie Position

Name: File type: Size:
jk35d_15kw-b5_160l_rn.dwg .dwg 1.3 mb
Kategorie Position

Name: File type: Size:
jk35d_15kw-b5_160l_ro.dwg .dwg 1.3 mb
Kategorie Position

Name: File type: Size:
jk35d_15kw-b5_160l_rv.dwg .dwg 1.3 mb
Kategorie Position

Name: File type: Size:
jk35d_15kw-b5_160m2_ln.dwg .dwg 1.32 mb
Kategorie Position

Name: File type: Size:
jk35d_15kw-b5_160m2_lo.dwg .dwg 1.38 mb
Kategorie Position

Name: File type: Size:
jk35d_15kw-b5_160m2_lv.dwg .dwg 1.31 mb
Kategorie Position

Name: File type: Size:
jk35d_15kw-b5_160m2_rn.dwg .dwg 1.31 mb
Kategorie Position

Name: File type: Size:
jk35d_15kw-b5_160m2_ro.dwg .dwg 1.31 mb
Kategorie Position

Name: File type: Size:
jk35d_15kw-b5_160m2_rv.dwg .dwg 1.31 mb

Kategorie Position

Name: File type: Size:
jk-35d_r_11kw-b5_160m1_ln.stp .stp 9.11 mb
Kategorie Position

Name: File type: Size:
jk-35d_r_11kw-b5_160m1_lo.stp .stp 7.5 mb
Kategorie Position

Name: File type: Size:
jk-35d_r_11kw-b5_160m1_lv.stp .stp 7.52 mb
Kategorie Position

Name: File type: Size:
jk-35d_r_11kw-b5_160m1_rn.stp .stp 7.53 mb
Kategorie Position

Name: File type: Size:
jk-35d_r_11kw-b5_160m1_ro.stp .stp 7.51 mb
Kategorie Position

Name: File type: Size:
jk-35d_r_11kw-b5_160m1_rv.stp .stp 7.48 mb
Kategorie Position

Name: File type: Size:
jk-35d_r_15kw-b5_160l_ln.stp .stp 6.69 mb
Kategorie Position

Name: File type: Size:
jk-35d_r_15kw-b5_160l_lo.stp .stp 6.69 mb
Kategorie Position

Name: File type: Size:
jk-35d_r_15kw-b5_160l_lv.stp .stp 6.69 mb
Kategorie Position

Name: File type: Size:
jk-35d_r_15kw-b5_160l_rn.stp .stp 6.69 mb
Kategorie Position

Name: File type: Size:
jk-35d_r_15kw-b5_160l_ro.stp .stp 6.68 mb
Kategorie Position

Name: File type: Size:
jk-35d_r_15kw-b5_160l_rv.stp .stp 6.71 mb
Kategorie Position

Name: File type: Size:
jk35d_r_11kw-ln.stp .stp 8.49 mb
Kategorie Position

Name: File type: Size:
jk35d_r_11kw-rv.stp .stp 8.47 mb
Kategorie Position

Name: File type: Size:
jk35d_r_11kw_lo.stp .stp 8.6 mb
Kategorie Position

Name: File type: Size:
jk35d_r_11kw_lv.stp .stp 8.45 mb
Kategorie Position

Name: File type: Size:
jk35d_r_11kw_rn.stp .stp 8.46 mb
Kategorie Position

Name: File type: Size:
jk35d_r_11kw_ro.stp .stp 8.4 mb


Name: File type: Size:
Hoyer_Motor_Manual.pdf .pdf 1.95 mb

Name: File type: Size:
User_manual.pdf .pdf 3.78 mb

Name: File type: Size:
mont_jk35d.pdf .pdf 1.09 mb
Filter brochure
JK-35D data sheet

Read all about JK-35D

Filter brochure
JK-35D data sheet

Read all about JK-35D

Product Position

Name: File type: Size:
jk35d_11kw-b5_160m1_ln.dwg .dwg 1.32 mb
Product Position

Name: File type: Size:
jk35d_11kw-b5_160m1_lo.dwg .dwg 1.38 mb
Product Position

Name: File type: Size:
jk35d_11kw-b5_160m1_lv.dwg .dwg 1.31 mb
Product Position

Name: File type: Size:
jk35d_11kw-b5_160m1_rn.dwg .dwg 1.31 mb
Product Position

Name: File type: Size:
jk35d_11kw-b5_160m1_ro.dwg .dwg 1.31 mb
Product Position

Name: File type: Size:
jk35d_11kw-b5_160m1_rv.dwg .dwg 1.31 mb
Product Position

Name: File type: Size:
jk35d_11kw_ln.dwg .dwg 267.0 kb
Product Position

Name: File type: Size:
jk35d_11kw_lo.dwg .dwg 261.71 kb
Product Position

Name: File type: Size:
jk35d_11kw_lv.dwg .dwg 269.04 kb
Product Position

Name: File type: Size:
jk35d_11kw_rn.dwg .dwg 265.9 kb
Product Position

Name: File type: Size:
jk35d_11kw_ro.dwg .dwg 264.28 kb
Product Position

Name: File type: Size:
jk35d_11kw_rv.dwg .dwg 266.83 kb
Product Position

Name: File type: Size:
jk35d_15kw-b5_160l_ln.dwg .dwg 1.31 mb
Product Position

Name: File type: Size:
jk35d_15kw-b5_160l_lo.dwg .dwg 1.37 mb
Product Position

Name: File type: Size:
jk35d_15kw-b5_160l_lv.dwg .dwg 1.3 mb
Product Position

Name: File type: Size:
jk35d_15kw-b5_160l_rn.dwg .dwg 1.3 mb
Product Position

Name: File type: Size:
jk35d_15kw-b5_160l_ro.dwg .dwg 1.3 mb
Product Position

Name: File type: Size:
jk35d_15kw-b5_160l_rv.dwg .dwg 1.3 mb
Product Position

Name: File type: Size:
jk35d_15kw-b5_160m2_ln.dwg .dwg 1.32 mb
Product Position

Name: File type: Size:
jk35d_15kw-b5_160m2_lo.dwg .dwg 1.38 mb
Product Position

Name: File type: Size:
jk35d_15kw-b5_160m2_lv.dwg .dwg 1.31 mb
Product Position

Name: File type: Size:
jk35d_15kw-b5_160m2_rn.dwg .dwg 1.31 mb
Product Position

Name: File type: Size:
jk35d_15kw-b5_160m2_ro.dwg .dwg 1.31 mb
Product Position

Name: File type: Size:
jk35d_15kw-b5_160m2_rv.dwg .dwg 1.31 mb
Product Position

Name: File type: Size:
jk-35d_r_11kw-b5_160m1_ln.stp .stp 9.11 mb
Product Position

Name: File type: Size:
jk-35d_r_11kw-b5_160m1_lo.stp .stp 7.5 mb
Product Position

Name: File type: Size:
jk-35d_r_11kw-b5_160m1_lv.stp .stp 7.52 mb
Product Position

Name: File type: Size:
jk-35d_r_11kw-b5_160m1_rn.stp .stp 7.53 mb
Product Position

Name: File type: Size:
jk-35d_r_11kw-b5_160m1_ro.stp .stp 7.51 mb
Product Position

Name: File type: Size:
jk-35d_r_11kw-b5_160m1_rv.stp .stp 7.48 mb
Product Position

Name: File type: Size:
jk-35d_r_15kw-b5_160l_ln.stp .stp 6.69 mb
Product Position

Name: File type: Size:
jk-35d_r_15kw-b5_160l_lo.stp .stp 6.69 mb
Product Position

Name: File type: Size:
jk-35d_r_15kw-b5_160l_lv.stp .stp 6.69 mb
Product Position

Name: File type: Size:
jk-35d_r_15kw-b5_160l_rn.stp .stp 6.69 mb
Product Position

Name: File type: Size:
jk-35d_r_15kw-b5_160l_ro.stp .stp 6.68 mb
Product Position

Name: File type: Size:
jk-35d_r_15kw-b5_160l_rv.stp .stp 6.71 mb
Product Position

Name: File type: Size:
jk35d_r_11kw-ln.stp .stp 8.49 mb
Product Position

Name: File type: Size:
jk35d_r_11kw-rv.stp .stp 8.47 mb
Product Position

Name: File type: Size:
jk35d_r_11kw_lo.stp .stp 8.6 mb
Product Position

Name: File type: Size:
jk35d_r_11kw_lv.stp .stp 8.45 mb
Product Position

Name: File type: Size:
jk35d_r_11kw_rn.stp .stp 8.46 mb
Product Position

Name: File type: Size:
jk35d_r_11kw_ro.stp .stp 8.4 mb
Kategorie Datei

Name: File type: Size:
Hoyer_Motor_Manual.pdf .pdf 1.95 mb
Kategorie Datei

Name: File type: Size:
User_manual.pdf .pdf 3.78 mb
Kategorie Datei

Name: File type: Size:
mont_jk35d.pdf .pdf 1.09 mb
JK-D1.PNG
JK-D2.PNG
JK-Dint.PNG

Ähnliche Produkte

...
JK-25D

Ventilatorsysteme

See product
...
JK-30D

Ventilatorsysteme

See product
...
JK-50MTD

Ventilatorsysteme

See product
...
JK-55MTD

Ventilatorsysteme

See product

Configure your own solution with our tools

Icon
Interessiert an mehr?

Kontaktieren Sie uns noch heute für ein kostenloses Beratungsgespräch! Unser Expertenteam freut sich darauf, Ihre Herausforderungen bei der Staubkontrolle zu besprechen und Ihre Fragen zu beantworten. Wir zeigen Ihnen, wie ein maßgeschneiderter Lösungsverkauf-Ansatz Ihren Arbeitsplatz verändern und Ihre Vorgehensweise bei der Entstaubung revolutionieren kann.

Kontakt